つまり何したの?
NAND回路をトランジスタを使って設計した。
実際にトランジスタを使って作ってみたらかなり富豪的な実装になった。

NAND回路とは?
論理回路の一つで、入力が全て1の時だけ出力が0になる。最も単純な論理回路の一つで、他の論理回路を作るための基本的な部品として使われる。
実際に真理値表を書いてみると、以下のようになる。
| A | B | A NAND B |
| 0 | 0 | 1 |
| 0 | 1 | 1 |
| 1 | 0 | 1 |
| 1 | 1 | 0 |
どうやって作るの?
トランジスタを使って作ることができる。トランジスタは電流を制御することができる素子で、電流を流すか流さないかを制御することができる。NAND回路は、本来2つのトランジスタを使って作ることができる。
トランジスタには2つの種類があり、NPN型とPNP型がある。NPN型の場合、ベースに電流を流すとコレクタとエミッタの間に電流が流れる。PNP型の場合、ベースに電流を流すとコレクタとエミッタの間に電流が流れなくなる。
NAND回路を作るためには、NPN型のトランジスタを使う。以下のように配線することでNAND回路を作ることができる。ちなみに、エミッタが複数ついたトランジスタをマルチエミッタトランジスタと言う。

ただしマルチエミッタトランジスタとかは手元になく再現できないので、等価な回路をつくることにする。

実際に作ってみた
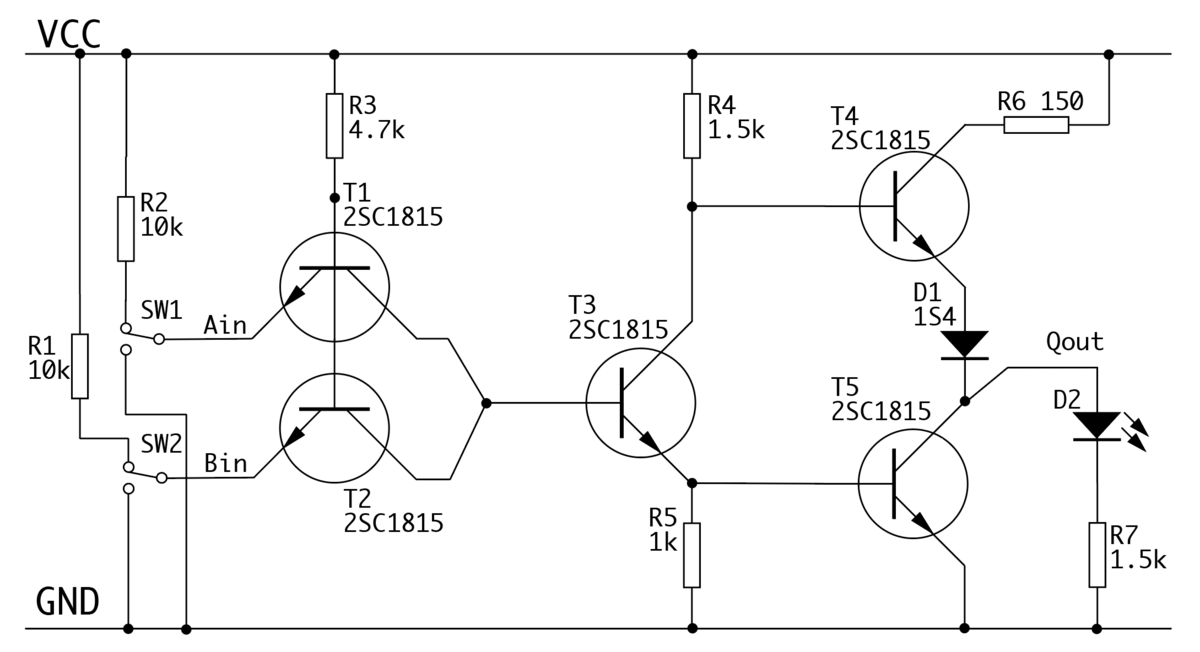
実際にトランジスタを使ってNAND回路を作ってみた。以下のように配線することでNAND回路を作ることができる。
動作確認のために、LEDを使って出力を確認することができる。以下のように配線することで、LEDを使って出力を確認することができる。

表1. 部品リスト
- R1,R2: 1/6W 10kΩ, https://akizukidenshi.com/catalog/g/g116103/
- R3: 1/6W 4.7kΩ, https://akizukidenshi.com/catalog/g/g116472/
- R4,R7: 1/6W 1.5kΩ, https://akizukidenshi.com/catalog/g/g116152/
- R5: 1/6W 1kΩ, https://akizukidenshi.com/catalog/g/g116102/
- R6: 1/6W 150Ω, https://akizukidenshi.com/catalog/g/g116151/
- SW1,2: 3Pトグルスイッチ, https://akizukidenshi.com/catalog/g/g102399/
- T1~5: 2SC1815, https://akizukidenshi.com/catalog/g/g117089/
- D1: 40V1A 1S4, https://akizukidenshi.com/catalog/g/g116384/
- D2: 発光ダイオード, https://akizukidenshi.com/catalog/g/g106405/ (たぶんこれ)
各リンクは今から新しくつくるとしたらの部品リストで、一部は家に落ちていたもの(同じ抵抗値で1/4Wのものとか)を使った。

